バイクパーツ・用品
ジャンルから探す
おすすめブランド
  • ウイルズウィン
  • ビームス
  • デイトナ
  • KIJIMA
  • af 旭風防
  • ネオファクトリー
  • 浅倉
  • GIVI
  • ヘンリービギンズ
  • KN企画
  • ミニモト
  • エーテック
  • モーターガレージグッズ
  • ガレージT&F
  • U-KANAYA

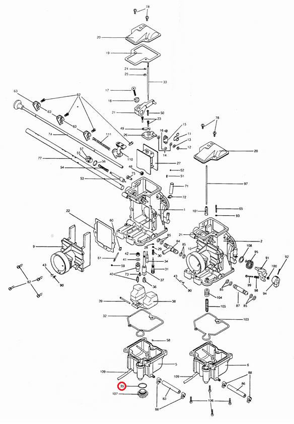
TM/TMR用Oリング ドレンボルト MIKUNI(ミクニ)

TMR キャブレターマルチ画像中の番号:75
TMRシングルキャブレター スモール(Φ28-34)画像中の番号:48
TMRシングルキャブレター ビッグ(Φ36-40)画像中の番号:47
TMキャブレター マルチ画像中の番号:35
TMキャブレター シングル画像中の番号:33

TM/TMR用Oリング ドレンボルト MIKUNI(ミクニ)
商品コード:
VM28-254

TM/TMR用Oリング ドレンボルト MIKUNI(ミクニ)

出荷日目安:
長期欠品中のため販売を停止しております
販売価格(税込):
110

メーカー:

MIKUNI(ミクニ)

JAN:

4538792424019

関連カテゴリ:

メンテナンス > オイル > オイル交換アイテム

その他適合:

TMRキャブレタービッグボディΦ36~Φ41用、TMRキャブレタースモールボディΦ28~Φ35用(マルチ・シングル共用)、TMキャブレター マルチ・シングル共用

申し訳ございませんが、只今品切れ中です。

こちらはパーツ・用品・電動モビリティの販売です。オートバイ本体の販売ではありません。

【商品説明】

こちらはパーツ・用品・電動モビリティの販売です。オートバイ本体の販売ではありません。

【注意事項】
道路運送車両法及びその関連法に適合したパーツは、一般走行できるパーツです。
当サイトでは、公道使用に改造申請などの届け出が必要なパーツや、レース専用のように公道使用を前提としない商品も含まれております。
レース専用パーツは法律に適合した商品ではありませんので、公道での使用はできません。
道路運送車両法及びその関連法に適合しないパーツは、店舗での取り付けサービスはお断りさせていただきます。
合法的なカスタマイズへの取り組み強化と不正改造の排除について、ご理解いただけますようお願いいたします。