バイクパーツ・用品
ジャンルから探す
おすすめブランド
  • ウイルズウィン
  • ビームス
  • デイトナ
  • KIJIMA
  • af 旭風防
  • ネオファクトリー
  • 浅倉
  • GIVI
  • ヘンリービギンズ
  • KN企画
  • ミニモト
  • エーテック
  • モーターガレージグッズ
  • ガレージT&F
  • U-KANAYA

ユニバーサルステー(L型) M10ボルト用 2穴 KITACO(キタコ)

補修、固定、使い方いろいろ ユニバーサルステー ラインアップ!

ユニバーサルステー(L型) M10ボルト用 2穴 KITACO(キタコ)
商品コード:
0900-529-20603

ユニバーサルステー(L型) M10ボルト用 2穴 KITACO(キタコ)

出荷日目安:
取寄せ 2~3営業日で発送予定
販売価格(税込):
317 円 (20%off)

メーカー:

KITACO(キタコ)

JAN:

4990852090440

関連カテゴリ:

メンテナンス > その他・補修部品・小物

その他適合:

M10ボルト用

仕様:
表面処理:ヘアライン仕上げ

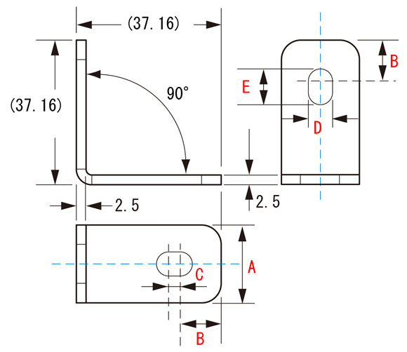
サイズ:

厚さ:2.5mm・全幅A:25・幅B:12・幅C:7・長穴サイズ D×E:10.2×17.2・長穴数:2

申し訳ございませんが、只今品切れ中です。

こちらはパーツ・用品・電動モビリティの販売です。オートバイ本体の販売ではありません。

【商品説明】

こちらはパーツ・用品・電動モビリティの販売です。オートバイ本体の販売ではありません。

【注意事項】
道路運送車両法及びその関連法に適合したパーツは、一般走行できるパーツです。
当サイトでは、公道使用に改造申請などの届け出が必要なパーツや、レース専用のように公道使用を前提としない商品も含まれております。
レース専用パーツは法律に適合した商品ではありませんので、公道での使用はできません。
道路運送車両法及びその関連法に適合しないパーツは、店舗での取り付けサービスはお断りさせていただきます。
合法的なカスタマイズへの取り組み強化と不正改造の排除について、ご理解いただけますようお願いいたします。